 
        
        
        
        
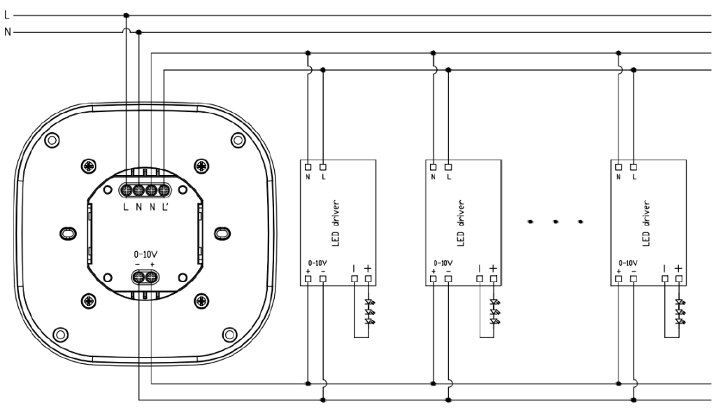
        High-mounting PIR motion sensor (ON/OFF+0-10V version)
MSA050S IR V is a high-mounting PIR motion sensor with daylight detection function. Combined with the unique software algorithm of Merrytek, it can accurately detect human movements in almost all high-mounting scenario to control lighting automatic ON/OFF and 0-10V dimming signal in warehouse,lobby,workshop etc.
 
                | Input/Output | Input voltage | 100-240V AC | 
| Rated voltage | 230V AC | |
| Working current | 20mA max | |
| Power consumption | ≤0.5W @12/24V DC | |
| Output signal | 1 channel ON/OFF(Max 800w resistive loading and 400w inductive loading)+1 channel 0-10V | |
| Max. Surge Capacity | 50A (50% Ipeak, twidth =200us, 230Vac full load, cold start) | |
| Sensor parameter | Function | PIR motion detection+ daylight sensor | 
| Detection Area | DIP or remote setting: 100%/75%/50%/25% | |
| Hold Time | DIP: 5S/1min/5min/10min/20min/30min MH10 remote:5s/30s/1min/3min/5min/10min/20min/30min | |
| Standby dim level | 10%/20%/30%/50% | |
| Standby time | 0S/1min/10min/∞ | |
| Daylight Sensor | DIP: 50Lux/Disable MH10 remote: 5Lux/15Lux/30Lux/50Lux/100Lux/150Lux/Disable | |
| Daylight harvesting | Available(when daylight harvesting mode is enabled,its dimming range is 10%-100%,and our sensor will automatically be disabled when environment lux is higher than 1000lux and recover enabled when environment lower than 120lux) | |
| Radius detection range(based on 100% sensitivity) | 4-5m@25℃ based on 8m mounting height | |
| Remote control | Available | |
| Mounting height | 2.5-10m, typical value:8m | |
| Application environment | Drill hole | Φ55mm | 
| Working temperature | -25℃…+50℃(detection range might differ based on different temperature ) | |
| Storage temperature | -40℃~+80℃ | |
| Warranty | 5 years(available based on product quality and indoor application) | |
| Certificate Standard | Certificate | Compliant to CE | 
| Environmental requirements | Compliant to RoHS | |
| IP rating | IP54(surface mounting)/IP20(flush mounting) | |
| “N/A” means not available | ||
Dimension
Initialization
When powered on,sensor indicator will turn off after flashing for 10S and will not detect moving signal during this time. After 10S,you can use our MH10 remote or dip switch to adjust detection area、hold time and daylight sensor etc parameter.
Factory setting
Detection Area:100%, Hold Time: 5s, Standby time:0s, Standby dim level: 10%, Daylight Sensor: Disable
Detection Signal
The product detects human moving signals and below is a description of the moving signals:
Detection harvesting manual
The built-in light sensor can automatically detects the intensity of natural light to adjust the artificial light according to the preset lux level, to maintain target illumination. It can be used in offices, airports, shopping malls and other occasions where the brightness of lamps needs to be adjusted according to sunlight during the day

Wiring layout suggestion:
 
                    