Low-mounting microwave motion sensor (DALI 2.0 version)
MSA055 is a 5.8GHz microwave sensor with high antenna gain and wide sensing range. Combined with the unique software algorithm of Merrytek, it can accurately detect human movements in almost all indoor spaces to trigger smart scene application by DALI communication in smart homes, smart hotels, and smart offices.
| Input/Output | Input voltage | DALI bus power |
| Working Current | 13±1mA | |
| Communication | DALI bus communication | |
| Sensor Parameter | Radar Frequency | 5.8GHz±75MHz,ISM band |
| Radar transmit power | 5mW Max | |
| Detection Sensitivity | MH10 remote setting:100% 75% 50% 25% | |
| Hold Time | 5s(fixed)+1s -30min(DALI master setting) | |
| Daylight Sensor | 0-1200Lux | |
| Radius detection range(based on 100% sensitivity and 3m mounting) | 4-5m | |
| Remote control | Available | |
| Mounting height | 2.5-4.0m typical value:3m | |
| 3dB beam angle | 90°(horizontal) | |
| 95°(vertical) | ||
| Application Environment | Drill hole | Φ55mm |
| Working Temperature | 0℃…+50℃ | |
| Storage Temperature | -40℃~+80℃ | |
| Certificate Standard | Certificate | CE/FCC/RED |
| Environmental Requirement | Compliant to RoHS | |
| IP Rating | IP20 | |
| Note: “N/A” means not available. | ||
Product dimension
Initialization
When powered on,sensor indicator will turn off after flashing for 20S and will not detect moving signal during this time. After 20S,you can use tuya APP to adjust detection area and hold time.
Factory setting
Detection Sensitivity: 100%, Hold Time: 5s
Detection Signal
The product detects human moving signals and below is a description of the moving signals:

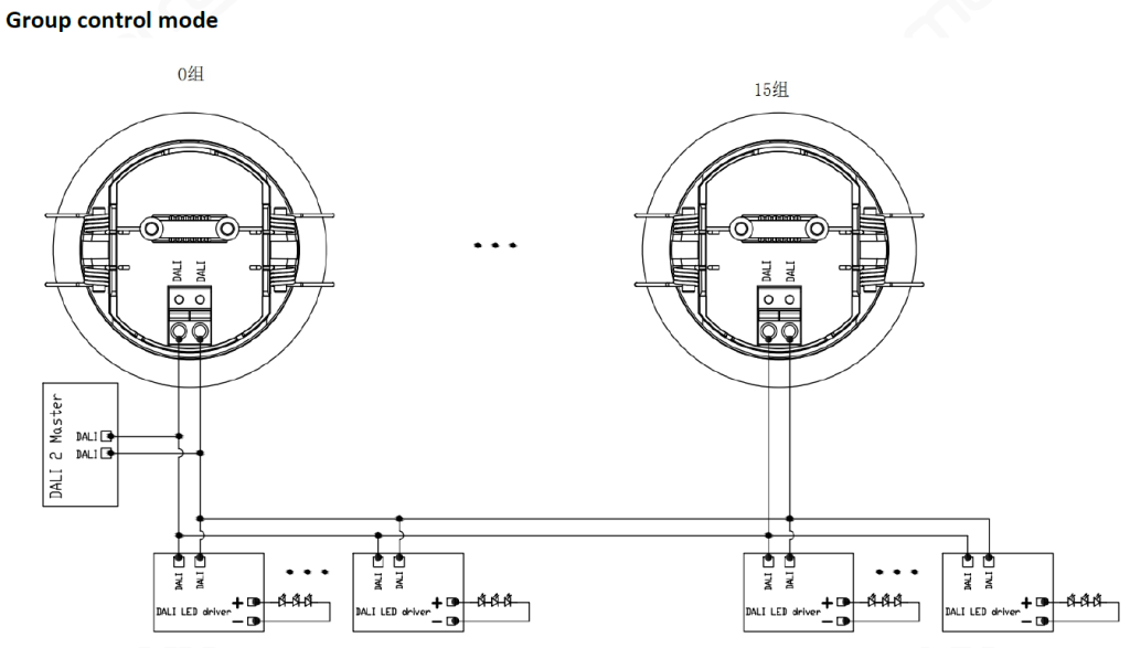
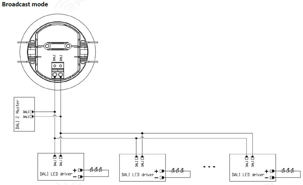
Remark: we recommend no more than 6pc sensor in a 250mA-circle to avoid communication problem due to insufficient loading problem.
