24GHz Large-space presence sensor(ON/OFF version)
MSA063S 99 is a 24GHz radar sensor based on Merrytek patented orthogonal antenna. Its antenna has high gain and wide detection range. Combined with Merrytek’s unique software algorithm and FMCW modulation,it can accurately detect micro movements brought by human in almost all indoor spaces to automatically turn on or turn off lighting etc electrical appliance.
| Input/Output | Input voltage | 100-240V AC 50-60Hz |
| Rated voltage | 220V AC | |
| Working current | 50mA max | |
| Consumption | ≤1W 230V DC | |
| Max surge | 1KV(L/N,EN61000-4-5) | |
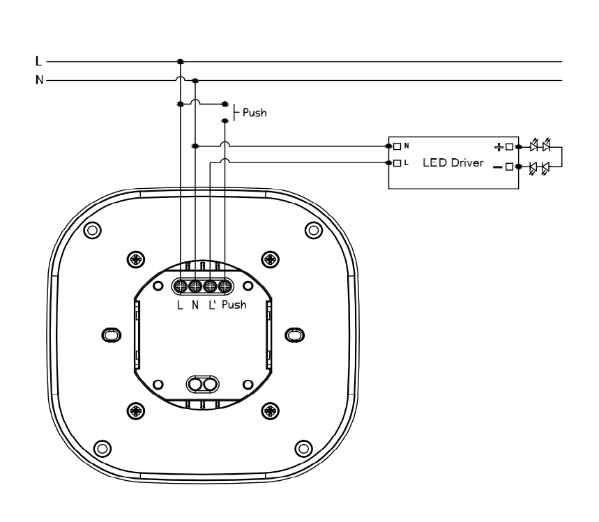
| Output signal | 1 channel ON/OFF(Max 800w resistive loading and 400w inductive loading)+1 channel push control | |
| Max surge current | 16A relay 30A(test by 50% Ipeak and twidth 500us @230Vac by full loading from cold boot 60A(test by 50% Ipeak and twidth 200us @230Vac by full loading from cold boot |
|
| Sensor Parameter | Radar frequency | 24GHz-24.25GHz ISM band |
| Transmitting Power | 5mW Max | |
| Detection Area | Remote/Dip setting: 0-4m | |
| Hold Time | Remote/Dip setting: 10s-30min Remark: presence detection will be available only when hold time be set >30s |
|
| QS1+100% detection range radius | major/minor/micro movement(3m height installation): 3.5±0.5m(based on 41㎡ open area test and might change due to different space) | |
| Daylight sensor threshold | 5-150lux/Disable | |
| PUSH control | ON/OFF, once you use push button to turn off light, there’ll be 10s block time when sensor’ll be disabled | |
| Sensitivity | High/Medium/Low | |
| Remote control | Available | |
| Mounting height | 2.5-4.0m typical value:3m | |
| 3dB beam angle | 100°(XZ) 100°(YZ) |
|
| Application Environment | Drill hole | Φ55mm |
| Working temperature | 0℃…+50℃ | |
| Storage temperature | -40℃~+80℃ | |
| Warranty | 5 years(available due to product quality problem under indoor application) | |
| Certificate Standard | Certificate | Compliant to CE |
| Environmental requirements | Compliant to RoHS | |
| IP rating | IP20(flush mounting) IP54(surface mounting) | |
| “N/A” means not available | ||
Product dimension
Initialization
When powered on,sensor indicator will turn off after flashing for 10S and will enter a 20S detection cycle,if there’s presence detected,then sensor will report presence and enter hold time calculating,if absence detected,then sensor will report absence.During initialization,sensor will not detect moving signal and you can use our MH10 remote or DIP switch to adjust detection area、hold time and daylight sensor etc parameter.
Factory setting
Detection Area: 4m(Medium sensitivity), Hold Time:30s, Indicator light: ON, Daylight sensor: Disable
Detection Signal
The product detects human moving, minor moving, and presence signals, and realizes the detection of human-existing/no-human in non-sleep state. The following is a description of the moving, minor moving and presence signals:

Wiring layout suggestion:
