24GHz Large-space presence sensor(Dry contact version)
MSA200D RC is a 24GHz radar sensor based on Merrytek patented orthogonal antenna. Its antenna has high gain and wide detection range. Combined with Merrytek’s unique software algorithm and FMCW modulation,it can accurately detect micro movements brought by human in almost all indoor spaces and provide fast and accurate front-end sensing input for smart home, smart hotel, smart office and other scenes.
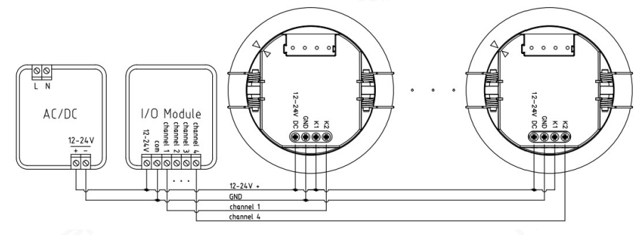
| Input/Output | Input voltage | 12-24V DC |
| Rated voltage | 12/24V DC | |
| Working Current | @12Vdc:50mA max @24Vdc:30mA max |
|
| Working Power | ≤1W @24V DC | |
| Output signal | NO/NC dry contact (Factory setting is NO dry contact) | |
| Load type | Resistive (load voltage :Vdc≤36V,load current:100mA max) | |
| Sensor Parameter | Radar frequency | 24GHz -24.25GHz,ISM band |
| Transmitting Power | 5mW Max. | |
| Detection Area | 0-4m (by MH10 remote) | |
| Hold Time | 10s /30s /1min / 3min /5min /10min /20min/30min(by MH10 remote)
Remark: For better presence detection,hold time shall set >30S |
|
| Daylight Sensor threshold | 5Lux/15Lux/30Lux/50Lux/100Lux/150Lux/Disable (by MH10 remote) | |
| QS1+100% detection range radius | major/minor/micro movement(3m height installation): 3.5±0.5m(based on 41㎡ open area test and might change due to different space) | |
| Remote control | Available | |
| Mounting height | 2.5-4.0m typical value:3m | |
| Detecting Angle | 120° | |
| Application Environment | Drill hole | Φ45mm |
| Working Temperature | 0℃…+50℃ | |
| Storage Temperature | -25℃~+80℃ Humidity:≤85% (non-condensation) | |
| Certificate Standard | Certificate | FCC/RED |
| Environmental Requirement | Compliant to RoHS | |
| IP Rating | IP20 | |
| Guarantee | 5 year(only for product quality problem) | |
| Note: “N/A” means not available. | ||
Product dimension
Initialization
When powered on,sensor indicator will turn off after flashing for 10S and will enter a 20S detection cycle,if there’s presence detected,then sensor will enter hold time calculating,if absence detected,then sensor relay will disconnect.During initialization,sensor will not detect moving signal and you can use our MH10 remote to adjust detection area、hold time and daylight sensor etc parameter.
Factory setting
Detection Area: 4m(medium sensitivity), Hold Time: 30S, Daylight Sensor: Disable, Indicator light: open
Detection Signal
The product detects human moving, minor moving, and presence signals, and realizes the detection of human-existing/no-human in non-sleep state. The following is a description of the moving, minor moving and presence signals:

Wiring layout suggestion:
