 
        
        
        
        
        Low-mounting PIR motion sensor (RS485 version)
MSA238D IR 485 is an compact PIR motion sensor with daylight detection function. Combined with the unique software algorithm of Merrytek, it can accurately detect human movements in almost all indoor spaces to trigger smart scene application in smart home, smart hotel and smart office.
 
                | Input/Output | Input voltage | 12-24V DC | 
| Rated voltage | 12/24V DC | |
| Working current | 20mA max | |
| Power consumption | ≤0.5W @12/24V DC | |
| Output signal | RS485 | |
| Sensor parameter | Function | PIR motion detection+daylight sensor | 
| Detection Area | RS485 protocol/remote setting: 100%/75%/50%/25% | |
| Hold Time | RS485 protocol/remote setting: 10S/30S/1min/5min/10min/20min/30min | |
| Daylight Sensor report range | 0-1200lux | |
| Radius detection range(based on 100% sensitivity) | Tangential moving based on 3m high installation: 4-5m @25℃(radial moving detection range will shorten) | |
| Remote control | Available | |
| Mounting height | 2.5-4m typical value:3m | |
| Application environment | Drill hole | Φ45mm | 
| Working temperature | -25℃…+50℃(detection range might differ based on different temperature ) | |
| Storage temperature | -40℃~+80℃ | |
| Warranty | 3 years(available due to product quality problem under indoor application) | |
| Certificate Standard | Certificate | Compliant to CE | 
| Environmental requirements | Compliant to RoHS | |
| IP rating | IP20 | |
| “N/A” means not available | ||
Dimension
Initialization
When power on,our sensor will enter self-checking mode and will not respond to any motion movement for 10s. After 10s,our sensor can detect motion normally,and all sensor parameter such as detection range,hold time etc can be set by remote or RS485 protocol.
Factory setting
Detection Area:100%, Hold Time: 10s, Daylight Sensor: Disable
Detection Signal
The product detects human moving signals and below is a description of the moving signals:

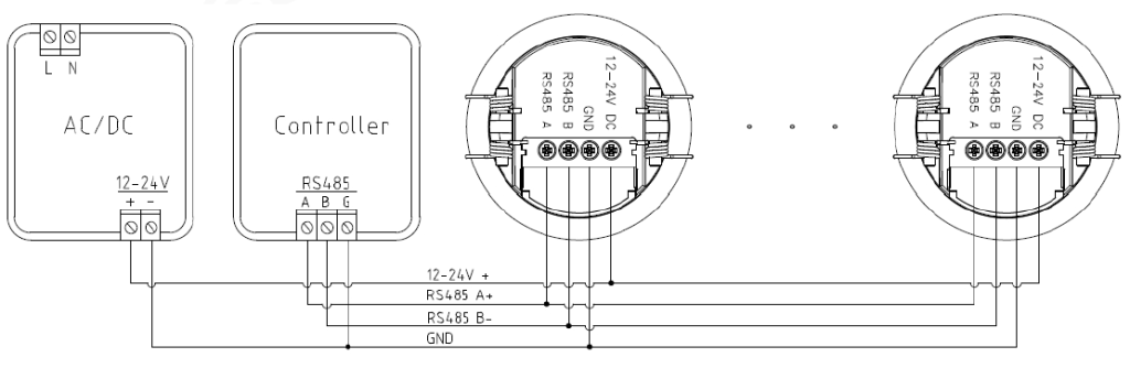
Wiring layout suggestion:
 
                    