| Input | Operating Voltage Rage | 108-305VAC 60Hz |
| DC Input Voltage | N/A | |
| Rated Voltage | 120-277VAC 60Hz | |
| No-load Power | N/A | |
| Stand-by Power | <1W | |
| Surge Test | L N: 1kV | |
| Output | Working Mode | 0-10V Dimming |
| Type of Load | LED(0-10V LED driver) | |
| Dim Interface | 0-10V Dimming | < 50mA (Non-constant source) 10%, 20%, 30%, 50% |
| Sensor Parameters | Operating Frequency | 5.8 GHz ±75 MHz,ISM band |
| Transmitting power | 0.5mW Max. | |
| Hold time | 5s/30s/1min/3min/5min/10min/20min/30min | |
| Stand-by dim Level | 10%(1.4-1.6V), 20%(1.9-2.1V), 30%(2.9-3.1V), 50% (4.9-5.1V) | |
| Stand-by Period | 0s/10s/1min/3min/5min/10min/30min/+∞ | |
| Detection Area) | 25%/50%/75%/100% | |
| Daylight Sensor | Daylight threshold:5lux/15lux/30lux/50lux/100lux/150lux/Disable(no shadow or ambient light diffuse reflection) Daylight priority(5lux/15Lux/30Lux/50Lux)/150Lux 100Lux/200Lux 150Lux/300Lux |
|
| Detecting Range | See detection pattern | |
| Mounting Height | 12m Max. | |
| Detection Angle | 150°(wall mount), 360°(ceiling mount) | |
| Operating Environment | Operating Temperature | -35℃…+55℃ |
| Storage Temperature | -40℃…+80℃ humidity:10%-95% (non-condensing) | |
| Certificate Standards | Safety standards | IEC60669-2-1, IEC60669-1 AS/NZS 60669.1, AS/NZS 60669.2.1 UL60730-1 |
| EMC standards | EN55015, EN61000-3-2, EN61000-3-3, EN61547 AS/NZS CISPR 15, AS/NZS 4268 FCC Part 15C, Part 15B EN 60950-1, EN301489-1, EN 201489-3, EN300440 |
|
| Environment Request | Compliant to RoHS | |
| Certificate | CE | |
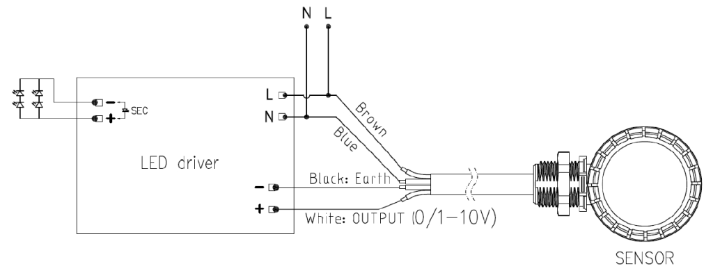
| Others | Wiring | UL1015,2*18AWG,exposed line length 810mm UL1015,2*22AWG,exposed line length 810mm |
| Wiring color | L(Brown), N(Blue), 0-10V+(White), 0-10V-(Black) | |
| IP Rating | IP65 | |
| Protection Class | Class II | |
| Installation | M20 side mount | |
| Dimension | See dimension | |
| Package | White paper box+cartons | |
| Net Weight | 85g | |
| Lifetime | 5 years warranty @Ta 230V full load | |
| Note 1. “N/A”means not available. 2. Detection area is effected on volume of motion object and motion speed. The detection area is tested by a 165cm height person and walking speed is 0.5m/s. |
||
Initialization
Factory setting
Detection area:100%, Hold time:5s, Stand-by Period:0s, Stand-by dim level:10%, Daylight Sensor: Disable
Application Notice
1) The sensor should be installed by a professional electrician. Please turn off the power before installing, wiring, changing the setting of the DIP switch.
2) The sensor which installed in the plastic and glass lampshade will reduce the sensitivity.For every 3mm increase in thickness, the sensitivity will be reduced by 20%.
3) The dimming performance could be different from different 1-10v drivers.
4) The light sensitivity threshold is in a sunny environment, no shadow and ambient light diffuse reflection..Lux level detected by sensor could be different in different environment, weather, climate, time-of-day and season.
5) The parameters of the sensor may need to be reconfigured in different installation environments. Please refer to the following instructions or contact the manufacturer.
6) This sensor is for indoor use only. It will affect the waterproof effect for outdoor use. Wind, rain, and moving objects around will cause false triggering.
7) The distance between any inductive sensors should be greater than 3m.
8) Do not place the sensor close to high-density objects such as metal, glass,concrete walls, etc, false triggering could happen. When the sensor is installed in a metal lamp, metal reflective surface, or a narrow enclosed environment, the microwave will be reflected repeatedly and cause false triggering. Please reduce the sensitivity or contact the manufacturer for technical support.
9) Please ensure that there are no moving signals around the sensor, such as fan,DC motor, sewer pipe, air outlet, etc., the sensor may generate false trigger.
10) You are advised to test 5 samples before mass application of sensor in a new lighting project.
11) Due to continuous improvement, the contents of this instruction could be changed without prior notice.

